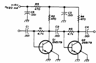
Este circuito, de una documentación técnica de 1975 proporciona una ganancia de 14 dB a señales de 500 kHz a 500 kHz. Los transistores usados ya no existen, pero se pueden utilizar equivalentes modernos de banda ancha como los de la serie BF, con frecuencias de corte de acuerdo con la frecuencia de la señal que se va a amplificar. Los cuidados con el diseño de la placa son importantes principalmente en la operación con las frecuencias más altas.




