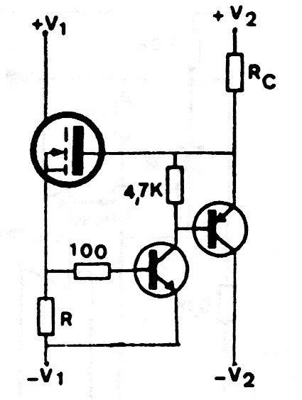
Esta fuente es más elaborada que la que se siegue pues usa dos transistores. La fuente es simétrica y los resistores se determinan en función de la carga y de la cadena deseada.

Esta fuente es más elaborada que la que se siegue pues usa dos transistores. La fuente es simétrica y los resistores se determinan en función de la carga y de la cadena deseada.
