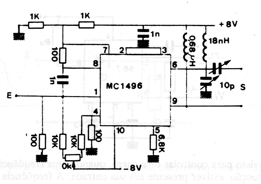
El circuito integrado MC496 utilizado en esta aplicación no es común actualmente. El circuito de Motorola dobla la frecuencia de una señal siendo los demás componentes algo críticos, principalmente las bobinas.
Este circuito hace que un relé cierre sus contactos alimentando una carga por un cierto tiempo...
Este pequeño radio para la banda AM utiliza cuatro transistores con un amplificador complementario para...
Este circuito de sólo 3 componentes hace que una pequeña lámpara parpadee con el sonido de su...