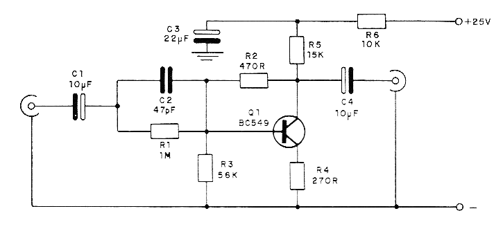
Si el lector posee un viejo tocadiscos y desea escuchar sus copias de vinilo, eventualmente aplicando la señal a la entrada de un grabador de CD, este circuito es interesante, pues posee la ecualización necesaria a este tipo de transductor. El transistor es el BC549 de alta ganancia y bajo nivel de ruido. La fuente puede tener tensión más baja, reduciendo el valor de R6. Para 12 V se puede utilizar un resistor de 3k3. Las entradas y salidas de señales deben realizarse con un cable blindado para evitar la captación de zumbidos. La entrada del circuito es de alta impedancia.




