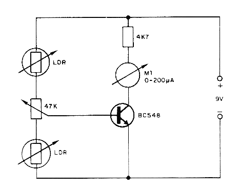
Este circuito sirve para comparar la intensidad de dos fuentes de luz que iluminan los dos sensores que son LDR. Ajustado al punto de equilibrio, a través del potenciómetro de 47 k él posibilita la obtención de luminosidades exactamente igual, indicadas por el instrumento M1. Se puede usar el aparato para comparar la composición de las pinturas, garantizando así uniformidad en la pintura. El circuito tiene muy bajo consumo, pudiendo ser alimentado por una pequeña batería de 9 V. El instrumento es un microamperímetro de 200 uA a 1 mA de fondo de escala.




