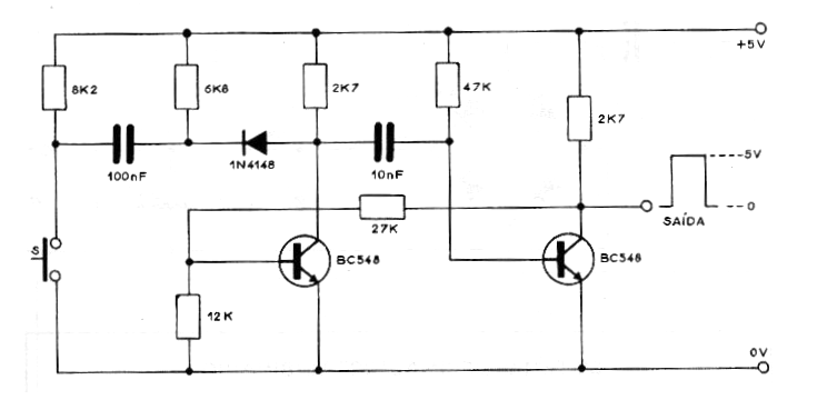
Al presionar S este circuito genera un pulso único de duración constante determinada por el capacitor de 10 nF y por el resistor de 47 k. Los valores de estos componentes se pueden cambiar. La salida tiene 5 V de amplitud y es compatible con la tecnología TTL. El circuito sirve como un interruptor libre de repique para sistemas de accionamiento manual. La alimentación debe realizarse con tensión de 5 V.




