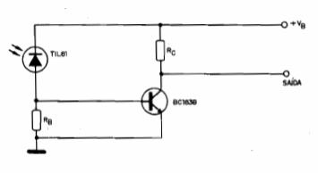
RC tiene valores típicos entre 1 k y 10 k, mientras que RB tiene valores entre 10 k y 1 M dependiendo de las características de la señal con la que se debe trabajar. La alimentación debe estar entre 6 y 12 V y el transistor admite equivalentes como el 2N2222.




