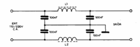
Este filtro bloquea la interferencia que se propaga a través de la red de energía, intercalada entre el aparato interferente y la toma o el aparato interferido y la toma. Las bobinas están formadas por 50 a 200 espiras de hilo 22 a 24 para corrientes hasta 2 A enrolladas en un bastón de ferrita. Los condensadores deben ser de poliéster con 250 V de tensión de trabajo o más para la red de 110 V y con 400 V o más para la red de 220 V. La conexión a tierra es muy importante para una mayor eficiencia del filtro.




