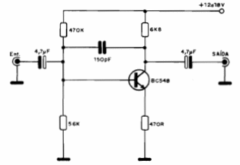
Dado el bajo consumo de este circuito, su alimentación puede ser retirada del propio amplificador con el que funciona. En caso contrario, utilice baterías o fuentes con un excelente filtrado. El transistor puede ser sustituido por el BC549 de menor nivel de ruido y tanto el cable de entrada y de salida de señal deben ser blindados. El circuito debe instalarse en caja metálica para evitar la captación de zumbidos.




