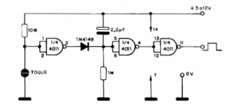
Un toque en el sensor, formado por dos chapas de metal separadas y que deben ser tocadas al mismo tiempo, produce un pulso de salida cuya duración depende del capacitor de 2,2 uF. El circuito funciona con tensiones de 5 a 12 V y nunca debe ser alimentado por fuente sin transformador.




