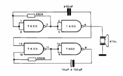
Este circuito produce el ruido de un grillo, reproduciendo una pequeña cápsula piezoeléctrica. La frecuencia es dada por los condensadores que, eventualmente, deben ser alterados para obtener más realismo. El circuito debe ser alimentado con 5 V aplicados en los pines 7 (negativo) y 14 (positivo).




