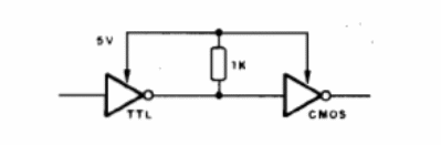
Cuando la lógica TTL y la lógica CMOS se alimentan por 5 V, la interfaz se puede hacer con sólo una resistencia, como se muestra en el diagrama.

Cuando la lógica TTL y la lógica CMOS se alimentan por 5 V, la interfaz se puede hacer con sólo una resistencia, como se muestra en el diagrama.
