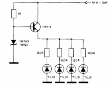
Con este circuito, una secuencia de LED de hasta 1 A en total puede ser alimentada con seguridad a partir de tensiones de 10 a 20 V. El TIP115 debe estar dotado de disipador de calor y el zener determina la corriente constante en la carga a través de los resistores de 120 ohmios. Vea la alimentación invertida del circuito que utiliza transistor PNP. Para un transistor equivalente NPN, invierta la alimentación, el zener y los LED. Este circuito es sugerido por Texas Instruments.




