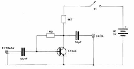
Este paso amplificador debe ser utilizado con señales muy débiles de transductores de media y alta impedancia, receptores experimentales, sensores, etc. La resistencia de 1M2 debe ser cambiada en función de la fuente de señal para obtener mayor amplificación y un mínimo de distorsión. El circuito tiene bajo consumo y puede ser alimentado por pilas AAA o AA.




