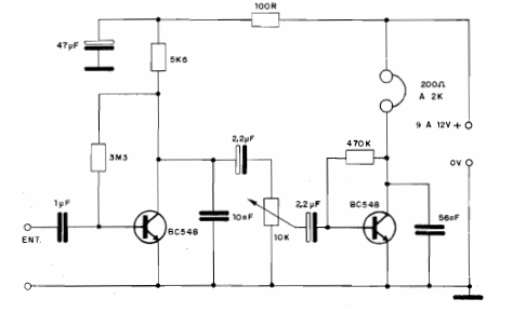
Los auriculares de media y alta impedancia se pueden utilizar con este amplificador. La resistencia de 470 k ohms eventualmente se debe cambiar para obtener un sonido sin distorsión. El potenciómetro funciona como control de volumen. La alimentación puede ser hecha por fuente o batería. Podemos utilizar este circuito en receptores experimentales.




