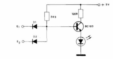
Cuando una u otra entrada va al nivel bajo, los LEDs se apagan (No O). El transistor admite equivalente como el BC548 y el circuito es alimentado por una tensión de 5 V. El LED puede ser de cualquier color.

Cuando una u otra entrada va al nivel bajo, los LEDs se apagan (No O). El transistor admite equivalente como el BC548 y el circuito es alimentado por una tensión de 5 V. El LED puede ser de cualquier color.
