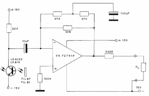
El circuito integrado en realidad es el conocido 741, ya que la versión dada es de Texas Instruments que sugiere la configuración. La fuente de alimentación debe ser simétrica y la resistencia de 10 M determina la ganancia del circuito. La red de 47k con el condensador determina el corte de frecuencia.




