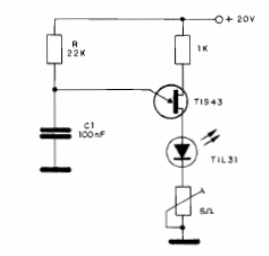
La frecuencia y la intensidad de los pulsos está determinada por R y C1. El capacitor produce pulsos al descargarse a través del transistor unijuntura. El pico de corriente, en función de las características del LED se ajusta en el trimpot. Si bien los transistores unijuntura ya no son muy comunes, esta configuración tiene finalidad didáctica, pudiendo ser utilizada en un transmisor de datos experimental.




