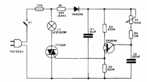
Este circuito de dimmer utiliza en el disparo un transistor unijuntura, responsable de la producción de los pulsos en el ángulo de fase ajustado por P1. Si bien las uniones no se utilizan más, este circuito ejemplifica la utilidad de este componente. El triac debe tener sufijo B para la red de 110 V y el diodo debe ser el 1N4004. Para la red de 220 V el triac debe tener sufijo D y el diodo debe ser el 1N4007. El valor de resistencia entre paréntesis es para la red de 220 V. El triac debe montarse en un radiador de calor. Con el circuito indicado se puede controlar hasta 800 W en la red de 110 V y 1600 W en la red de 220 V. Sólo se deben controlar lámparas de tipo incandescentes o cargas resistivas.




