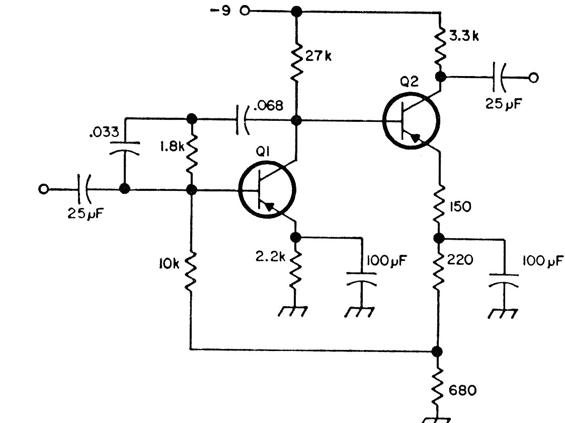
Esta configuración es de los años 70, habiendo sido encontrada en una documentación americana. Los transistores pueden ser los BC549 para Q1 y BC548 para Q2.
Tenemos aquí un oscilador de audio que produce sonidos claros y audibles en un altavoz común. Usted...
Este circuito de sólo 3 componentes hace que una pequeña lámpara parpadee con el sonido de su...
Este preamplificador, que puede funcionar con una pila muy pequeña (AAA), montado en una cajita de...