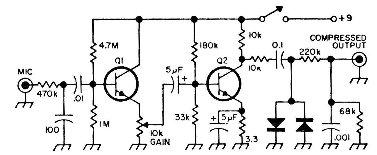
Este circuito de limitador o segador con preamplificador incluido fue encontrado en una documentación americana de 1975 El circuito utiliza transistores de uso general de la época, los cuales pueden ser sustituidos por equivalentes modernos. Los diodos son de uso general.




