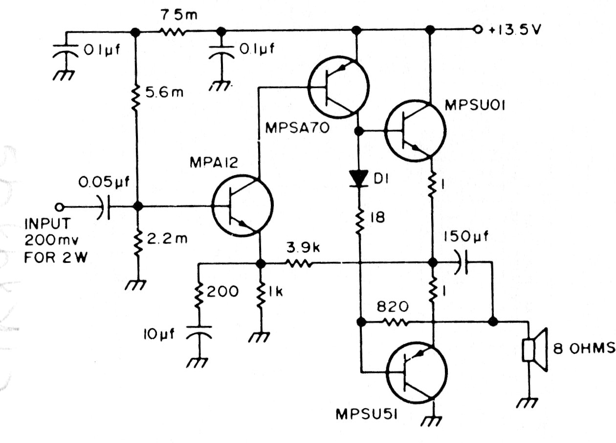
Este circuito es de una documentación de Motorola de los años 70. Los transistores admiten equivalentes modernos con el par TIP31 y 32 para la salida o incluso BD135 y BD136. Los demás transistores pueden ser de uso general.
Tenemos aquí un oscilador de audio que produce sonidos claros y audibles en un altavoz común. Usted...
Este circuito de sólo 3 componentes hace que una pequeña lámpara parpadee con el sonido de su...
Este preamplificador, que puede funcionar con una pila muy pequeña (AAA), montado en una cajita de...