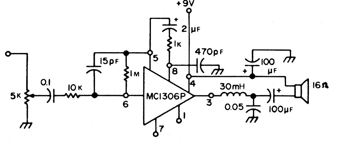
Este amplificador utiliza un circuito integrado de 1975, poco común actualmente. El circuito tiene una ganancia de 30 dB y utiliza una salida sin transformador con alimentación de 9 V.
El circuito mostrado en la figura 1 modula un haz de luz emitido por un LED (visible o infrarrojo) a...
Con este proyecto simple experimental podemos controlar un motor a partir de una linterna o de la...
Este tipo de oscilador utiliza una configuración fuera de lo común y puede ser utilizado como base...