El operacional utilizado no es muy común actualmente, pero el circuito se puede implementar con otros, por ejemplo, el 741. La fuente depende del tipo y la frecuencia del capacitor.
Es un ultra-simple aparato para demostrar en exposiciones y ferias de ciencias, pero que también se...
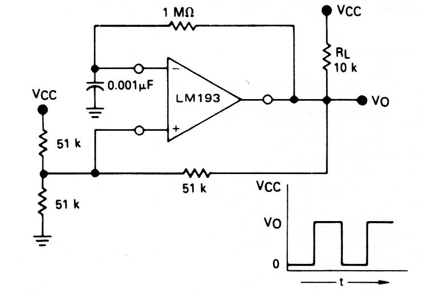
Los sonidos y los ultrasonidos pueden ser generados con el circuito mostrado en la figura 1, que...
Este pequeño temporizador se puede utilizar en el laboratorio de ciencias para medir el tiempo que no...