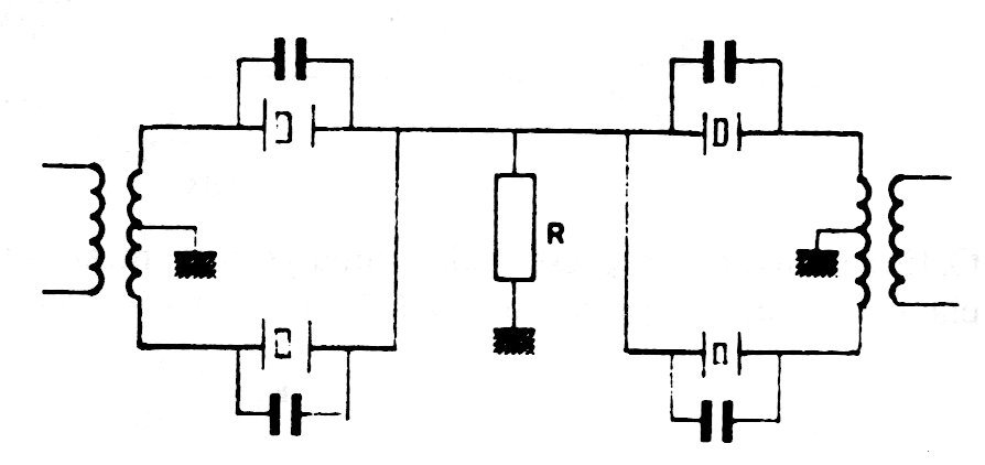
Esta configuración de filtro utilizado en las telecomunicaciones utiliza 4 cristales Jaunasann que es interesante para bajas y medianas frecuencias. El circuito es de una documentación de los años 80.
¿Cómo generar energía eléctrica a partir de dos monedas comunes? Si el lector cree que eso es...
Este circuito tiene por finalidad alimentar aparatos y circuitos de 0 a 6 V con corrientes hasta...
Fenómenos paranormales, aura y otros, pueden ser estudiados con la ayuda de la máquina Kirlian. Se...