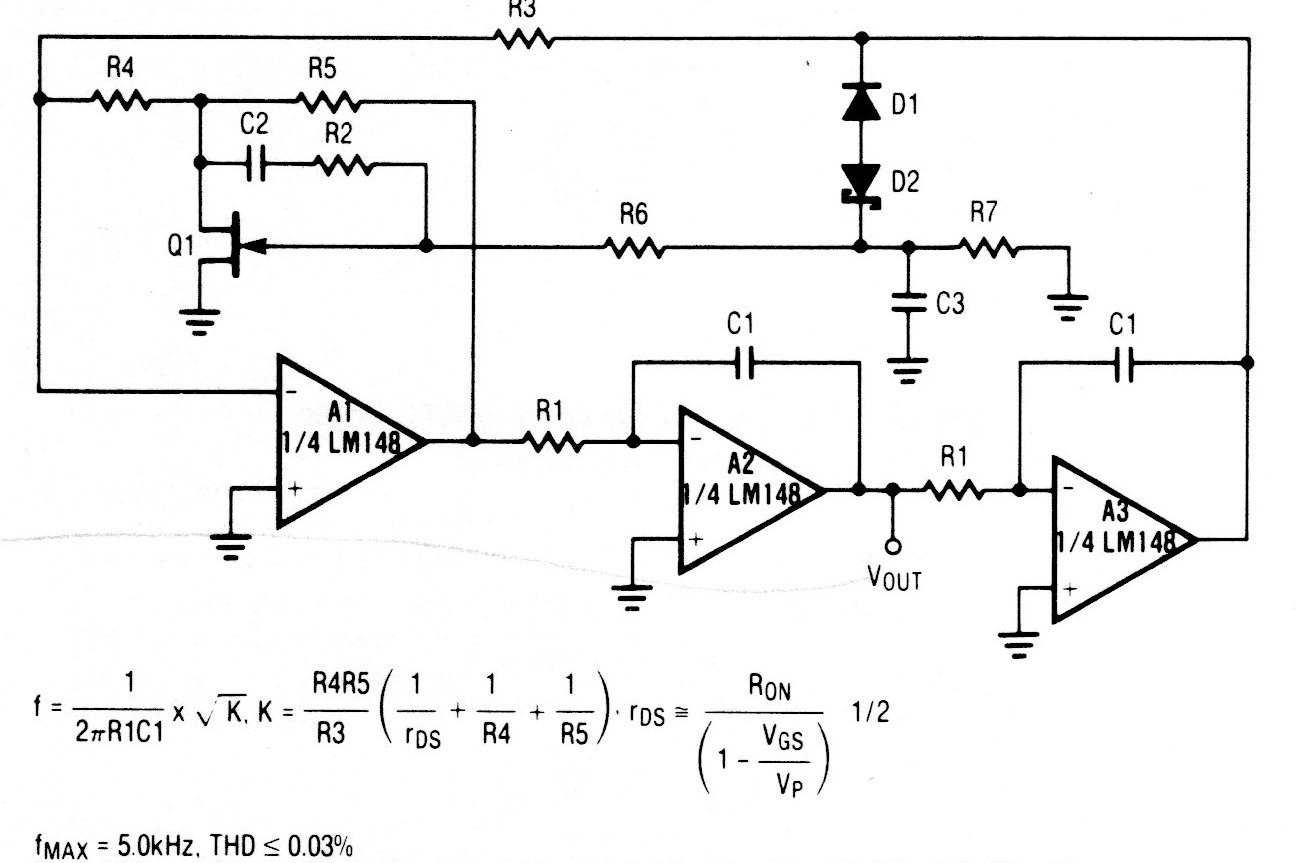
Este circuito puede utilizar el LM148 y sus equivalentes más modernos, generando una señal senoidal cuya frecuencia puede ser calculada por la fórmula junto al diagrama, en función de los componentes usados. La fuente debe ser simétrica.
¿Cómo generar energía eléctrica a partir de dos monedas comunes? Si el lector cree que eso es...
Este circuito tiene por finalidad alimentar aparatos y circuitos de 0 a 6 V con corrientes hasta...
Fenómenos paranormales, aura y otros, pueden ser estudiados con la ayuda de la máquina Kirlian. Se...