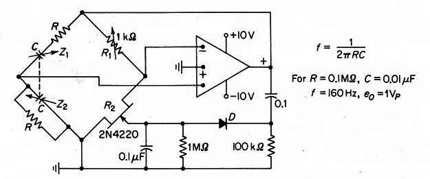
Esta configuración del oscilador con FET y amplificador diferencial se encontró una vieja documentación de transistores. El circuito tiene un control de ganancia y la fórmula por el diagrama se puede calcular los componentes para la frecuencia deseada. La alimentación debe ser doble entre 6 y 12 V de acuerdo con el amplificador diferencial utilizado.




