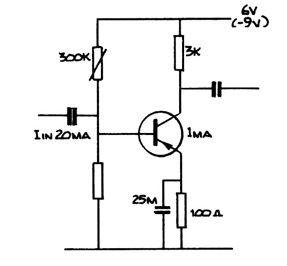
Esta etapa amplificadora con transistor de germanio como el AC108, AC173 u otros fue obtenida en una documentación de 1985. El circuito puede ser adaptado para usar transistores de silicio actuales.

Esta etapa amplificadora con transistor de germanio como el AC108, AC173 u otros fue obtenida en una documentación de 1985. El circuito puede ser adaptado para usar transistores de silicio actuales.
