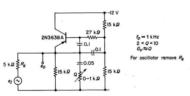
Este circuito se compone de un amplificador selectivo con control de factor Q. La frecuencia depende del capacitor, y las con los valores del diagrama se centra en 1 kHz. El transistor puede ser un BC558.

Este circuito se compone de un amplificador selectivo con control de factor Q. La frecuencia depende del capacitor, y las con los valores del diagrama se centra en 1 kHz. El transistor puede ser un BC558.
