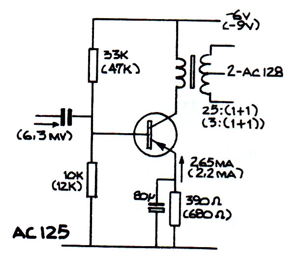
Este circuito fue encontrado en una documentación de 1985. El transistor es de tipo antiguo de germanio y la carga es un transformador con alta impedancia de entrada.

Este circuito fue encontrado en una documentación de 1985. El transistor es de tipo antiguo de germanio y la carga es un transformador con alta impedancia de entrada.
