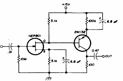
Encontramos este circuito en una publicación para radioaficionados de 1976. Originalmente fue indicado para uso en intercomunicadores y transmisores. El circuito tiene una impedancia de entrada muy alta, siendo indicado para micrófonos piezoeléctricos. El transistor PNP puede ser el BC558.




