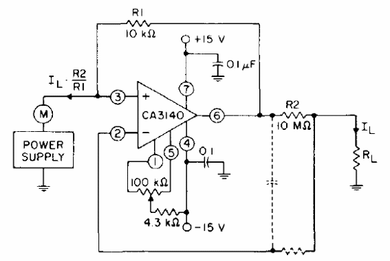
Encontramos este circuito en el RCA Solid State ICs de 1977. El circuito consiste en un amplificador de corriente con ganancia 1000. La alimentación debe ser hecha a partir de una fuente simétrica.

Encontramos este circuito en el RCA Solid State ICs de 1977. El circuito consiste en un amplificador de corriente con ganancia 1000. La alimentación debe ser hecha a partir de una fuente simétrica.
