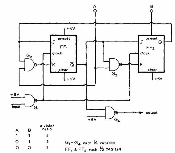
Este circuito es de una antigua publicación americana. Se divide una señal TTL de 40 a 60 MHz por valores enteros como 2, 3 o 4. El circuito debe ser alimentado por 5 V.

Este circuito es de una antigua publicación americana. Se divide una señal TTL de 40 a 60 MHz por valores enteros como 2, 3 o 4. El circuito debe ser alimentado por 5 V.
