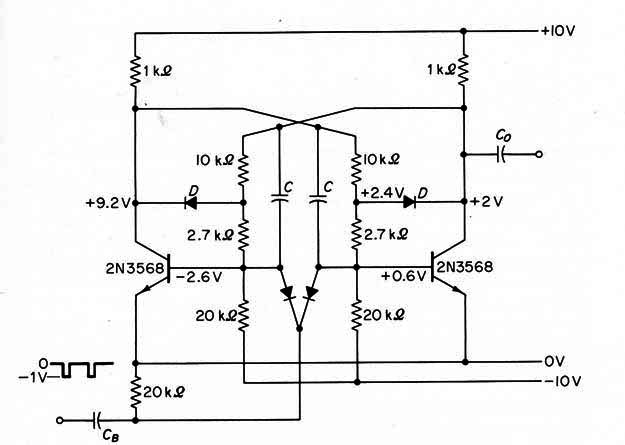
Este circuito es un biestable o flip-flop con dos transistores activados por una señal aplicada a las bases de los transistores. El circuito requiere alimentación simétrica y se encontró en una documentación de1968. Se puede implementar con componentes modernos.




