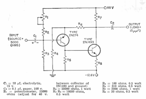
Este amplificador con ganancia 75 fue encontrado en el manual de transistores de la RCA de 1964. La impedancia es elevada y los transistores utilizados no son más comunes en nuestro mercado y deben ser buscados equivalentes.

Este amplificador con ganancia 75 fue encontrado en el manual de transistores de la RCA de 1964. La impedancia es elevada y los transistores utilizados no son más comunes en nuestro mercado y deben ser buscados equivalentes.
