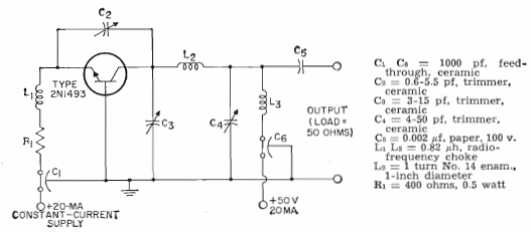
La potencia de salida de este oscilador es de 150 mW. Encontramos este circuito en el manual de transistores de la RCA de 1964. Las bobinas deben ser enrolladas por el montador.

La potencia de salida de este oscilador es de 150 mW. Encontramos este circuito en el manual de transistores de la RCA de 1964. Las bobinas deben ser enrolladas por el montador.
