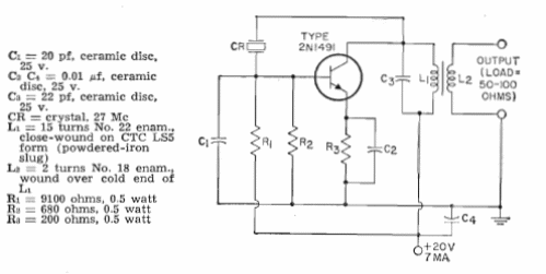
La potencia de salida de este oscilador encontrado en el manual de transistores de la RCA de 1964 es de 4 mW. Los componentes críticos son el transistor, que puede ser un 2N2222 y las bobinas que deben ser enrolladas por el montador.

La potencia de salida de este oscilador encontrado en el manual de transistores de la RCA de 1964 es de 4 mW. Los componentes críticos son el transistor, que puede ser un 2N2222 y las bobinas que deben ser enrolladas por el montador.
