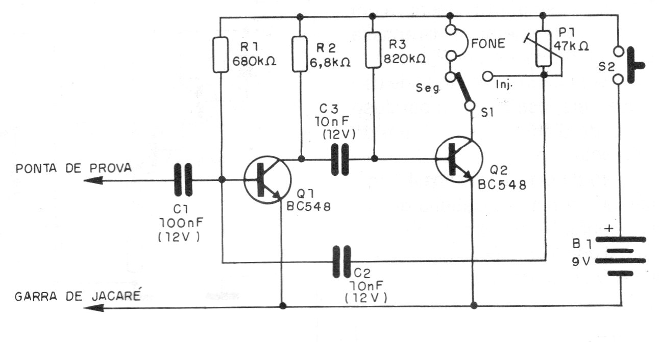
Esta sencilla configuración se puede encontrar en otros artículos de este sitio. El auricular usado debe ser magnético de alta impedancia o una cápsula de cristal con un resistor de 4k7 en paralelo. El circuito es alimentado por batería de 9 V y la llave conmuta la función para el inyector con la frecuencia ajustada en P1.




