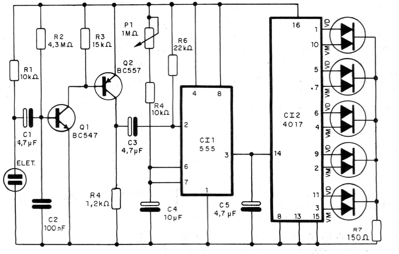
Este circuito fue encontrado en una documentación de 1995. Acciona un conjunto de LEDs secuenciales a partir del sonido captado por un micrófono de electreto. El sonido modula el flujo de los LED en un efecto que se ajusta por P1. El circuito es alimentado por el pin 16 del 4017 y la línea para las demás etapas con tensiones de 6 a 12 V.




