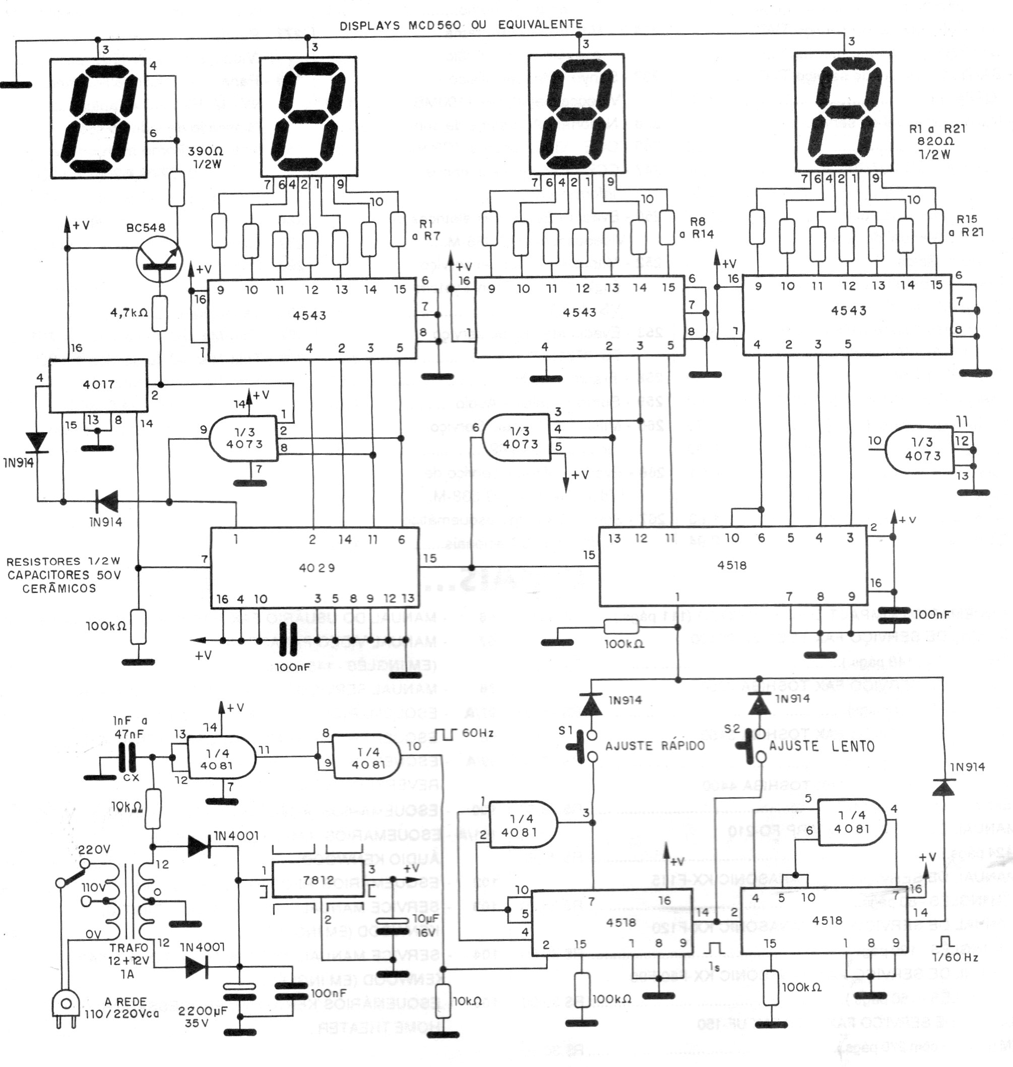
Este reloj digital de 4 dígitos para horas y minutos con circuitos integrados CMOS fue encontrado en una documentación de 1995. El circuito es muy preciso, ya que utiliza la frecuencia de la red de energía como base de tiempo. Los displays son de cátodo común y él tiene aciertos lento y rápido para mayor facilidad de uso.




