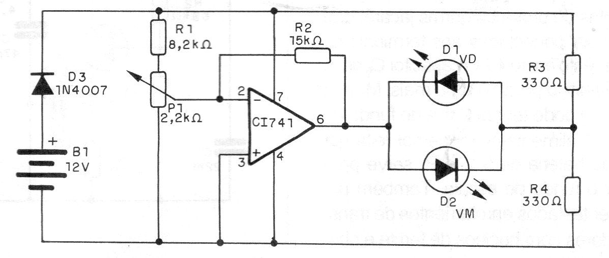
Este simple indicador sirve para baterías de 12, bastando ajustar el punto de accionamiento en el trimpot. El circuito utiliza dos indicadores LED. Se pueden utilizar comparadores como el LM139, 239 o 339 en lugar del circuito integrado 741.
¿Cómo generar energía eléctrica a partir de dos monedas comunes? Si el lector cree que eso es...
Este circuito tiene por finalidad alimentar aparatos y circuitos de 0 a 6 V con corrientes hasta...
Fenómenos paranormales, aura y otros, pueden ser estudiados con la ayuda de la máquina Kirlian. Se...