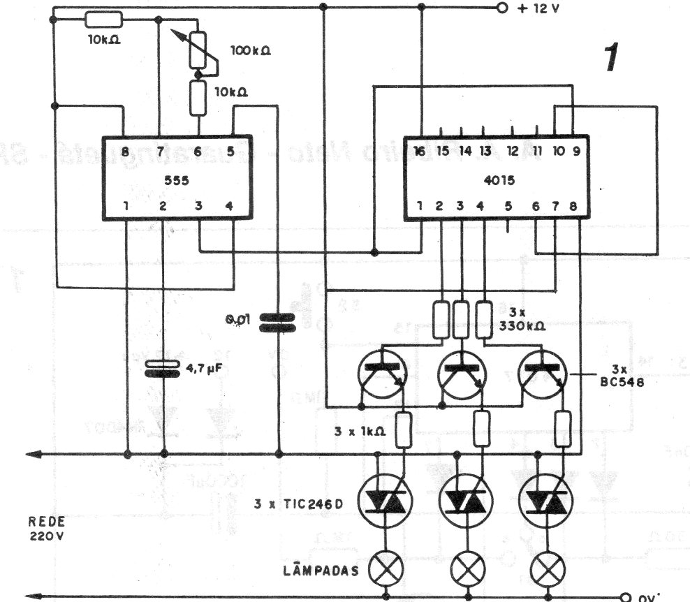
Este circuito de secuencial de 3 canales, pero que se puede ampliar a más, utiliza triacs en el accionamiento de lámparas incandescentes. El circuito es de una documentación de 1995. La velocidad del efecto se ajusta en el potenciómetro y los triacs deben ser montados en disipadores de calor.




