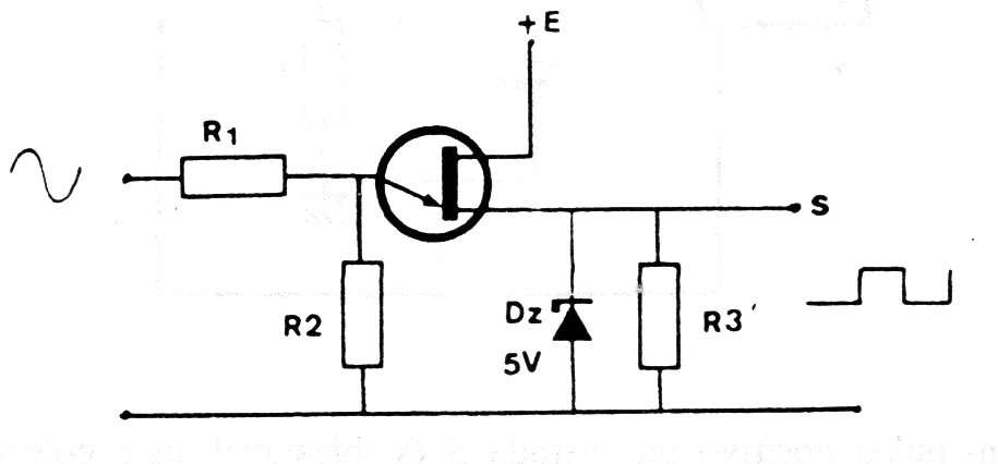
Este circuito produce señales rectangulares a partir de una entrada senoidal. El circuito utiliza un transistor unijuntura y su alimentación puede ser hecha con tensiones a partir de 5 V conforme la tensión de entrada. La salida se fija en 5 V por el zener lo que permite el uso del circuito en un shield de entrada para microcontroladores.




