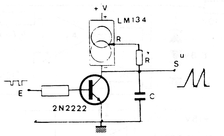
A partir de una señal de entrada, y usando una fuente de corriente poco común en nuestros días, este circuito genera una rampa, es decir, una tensión que crece linealmente hasta un determinado valor, para luego caer.
Este preamplificador - bastante simple - puede servir para excitar amplificadores comunes con la...
El circuito mostrado en la figura 1 es una protección del tipo "Crow Bar" en la que el disparo...
Un altavoz viejo, una o dos baterías (incluso bajas), una lima y es todo lo que el lector necesita para...