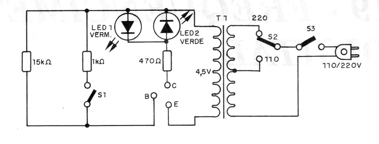
Este simple circuito permite probar diodos de uso general y rectificadores y también transistores de uso general, medio y de potencia. El circuito tiene dos LED que indican el estado del componente.
Este preamplificador - bastante simple - puede servir para excitar amplificadores comunes con la...
El circuito mostrado en la figura 1 es una protección del tipo "Crow Bar" en la que el disparo...
Un altavoz viejo, una o dos baterías (incluso bajas), una lima y es todo lo que el lector necesita para...