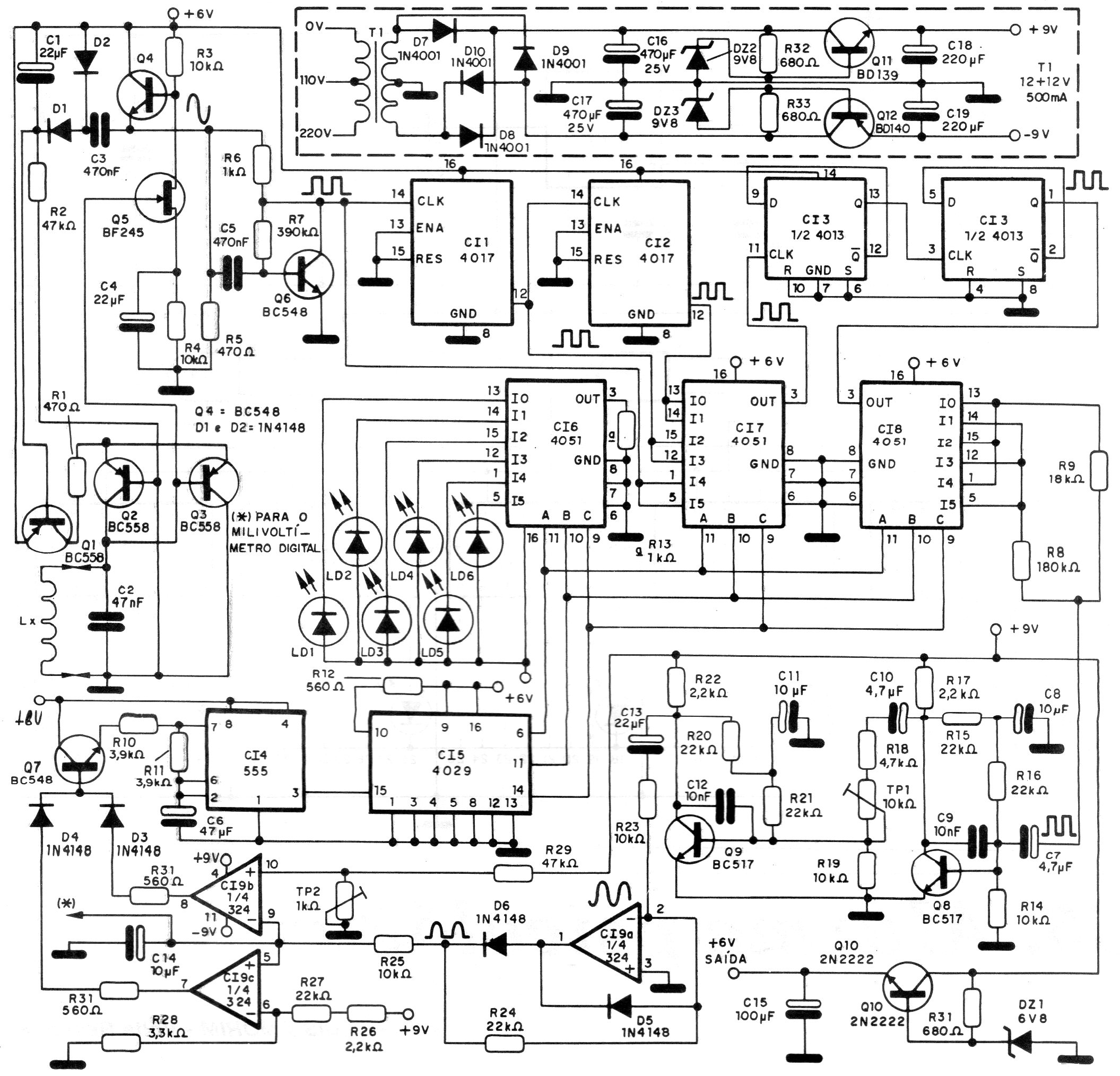
Este complejo circuito con muchos componentes digitales mide inductancias en 6 bandas que van de 100 uH a 99,9 mH. El circuito funciona con un multímetro digital común con un selector automático de escalas. El circuito incluye la fuente de alimentación y su precisión depende de los ajustes.




