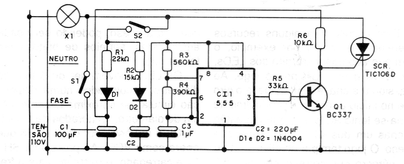
Este circuito mantiene un LED parpadeando cuando una lámpara de balcón, por ejemplo, se apaga. Con eso, un eventual intruso puede pensar que el LED significa que hay una alarma encendido, pudiendo desistir de invadir el local. El circuito es bastante simple y la frecuencia de los intermitentes depende básicamente de R3 y los resistores en serie con este componente, los cuales pueden ser alterados.




