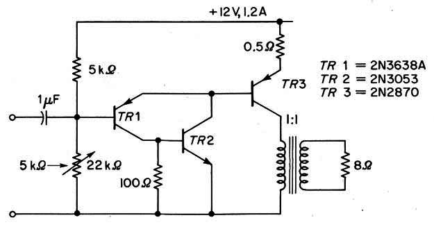
Esta configuración utiliza tres transistores para acoplamiento directo y tiene una potencia de salida de 5 W en clase A . Este es un circuito convencional de una documentación 1968, pero los transistores pueden ser reemplazados por equivalentes modernos como a TIP32 salida.




