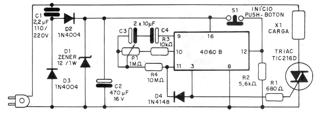
Hemos encontrado este circuito en una publicación de 1994. Utiliza un divisor por 16 384 CMOS del tipo 4060. Ajustando los pulsos de entrada producidos por el oscilador del propio circuito, determinado por los dos condensadores en oposición, podemos obtener temporizaciones hasta 25 horas. El circuito acciona directamente un Triac que, conforme la carga debe ser dotado de disipador de calor.




