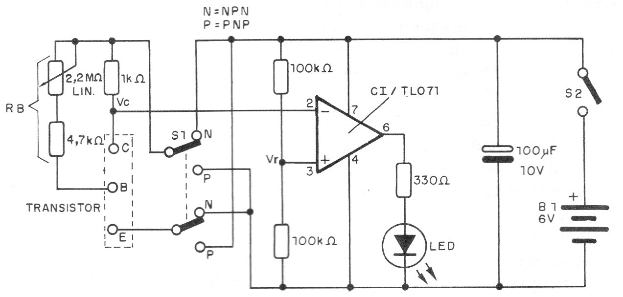
Este circuito fue encontrado en una documentación de 1995 y es muy sencillo de montar, ya que los componentes son comunes. Se prueba los transistores NPN y PNP y la ganancia se mide por la transición del LED, según su valor dado en la tabla.
Este circuito fue encontrado en una documentación de 1995 y es muy sencillo de montar, ya que los componentes son comunes. Se prueba los transistores NPN y PNP y la ganancia se mide por la transición del LED, según su valor dado en la tabla.